和记娱乐·[中国]官方网站
首页
关于和记娱乐·[中国]官方网站
产品中心
新闻动态
业绩展示
合格证鉴定
销售热线
183 1700 5588 / 180 1762 2632
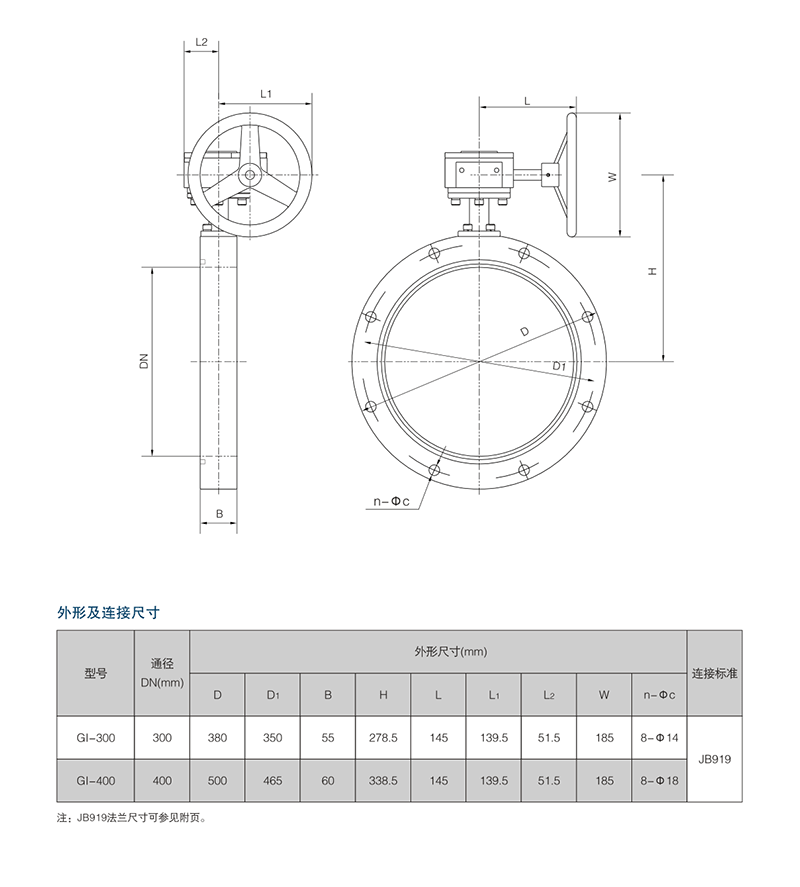
GI型手动高真空蝶阀
马上咨询
客服电话
021-62512750
相关推荐
真空阀门
LV-1240真空锁阀
真空阀门
GUQ-PF型真空压力球阀
真空阀门
GIQ-PY型真空压力球阀
真空阀门
GDQ-PF型真空压力气动挡板阀
真空阀门
GA型真空安全阀
真空阀门
GW-J-T型高真空微调阀
真空阀门
GCQ型高真空气动插板阀
真空阀门
CCQ型气动超高真空插板阀
真空阀门
CCD型电动超高真空插板阀
真空阀门
CC型手动超高真空插板阀
服务咨询电话
021-62512750
18017622632
√
公司总部:上海市金山区新日路89号
√
销售中心:上海市闵行区航中路665号甲
√
企业邮箱:shv2f@188.com
√
公司总机:021-64215100
√
在线QQ:1683297224
本站使用搭建
管理登录